Lawn Tractor Parts Craftsman / Replaces Craftsman Model 917 270671 Lawn Tractor Carburetor Mower Parts Land : Craftsman lawn garden engine parts | sears partsdirect craftsman is a leading manufacturer of lawn and garden equipment engines.

Info Populer 2022

Lawn Tractor Parts Craftsman / Replaces Craftsman Model 917 270671 Lawn Tractor Carburetor Mower Parts Land : Craftsman lawn garden engine parts | sears partsdirect craftsman is a leading manufacturer of lawn and garden equipment engines.

Lawn Tractor Parts Craftsman / Replaces Craftsman Model 917 270671 Lawn Tractor Carburetor Mower Parts Land : Craftsman lawn garden engine parts | sears partsdirect craftsman is a leading manufacturer of lawn and garden equipment engines.
Lawn Tractor Parts Craftsman / Replaces Craftsman Model 917 270671 Lawn Tractor Carburetor Mower Parts Land : Craftsman lawn garden engine parts | sears partsdirect craftsman is a leading manufacturer of lawn and garden equipment engines.

Lawn Tractor Parts Craftsman / Replaces Craftsman Model 917 270671 Lawn Tractor Carburetor Mower Parts Land : Craftsman lawn garden engine parts | sears partsdirect craftsman is a leading manufacturer of lawn and garden equipment engines.. Craftsman lawn tractor parts that fit, straight from the manufacturer. Find genuine replacement parts along with great repair advice. Cores returned in a damaged state are subject to no or partial credit, so package them well for return as if they were a new product. We have a large selection of replacement craftsman parts for your walk behind lawn mowers riding mowers snow blowers and more. Choose from versatile models with mulching ability, aerator.

Craftsman® tillers & cultivators are ready to keep up with all of your backyard and lawn needs. Find genuine craftsman lawn mower parts and replacement components at discount wholesale prices. Repair parts home lawn equipment parts craftsman parts craftsman lawn tractor parts craftsman 917270821 42in. You can also call our expert team directly at 800.937.7279 for assistance and we'll help you find the perfect match for any lawn mower, tractor, power equipment or craftsman snow blower parts. Craftsman 2610 supreme reel gang mowers parts.

3
3 from
Home > all brands > craftsman > craftsman lawn tractors. Craftsman lawn garden engine parts | sears partsdirect craftsman is a leading manufacturer of lawn and garden equipment engines. You can also call our expert team directly at 800.937.7279 for assistance and we'll help you find the perfect match for any lawn mower, tractor, power equipment or craftsman snow blower parts. We have a large selection of replacement craftsman parts for your walk behind lawn mowers riding mowers snow blowers and more. Craftsman lawn tractor parts that fit, straight from the manufacturer. Proudly owned & operated in america. Manualslib has more than 3500 craftsman lawn mower manuals. Cores returned in a damaged state are subject to no or partial credit, so package them well for return as if they were a new product.

Used craftsman lawn tractor parts for sale.

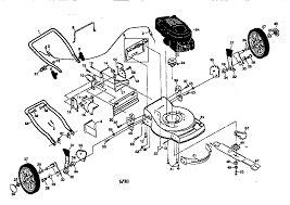
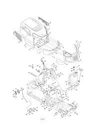
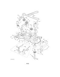
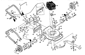
42 craftsman lawn tractor parts, tutorial, step by step. Use our interactive diagrams, accessories, and expert repair help to fix your craftsman lawn tractor. Parts ship within 24 hours. Our store carries small engine parts for all most major brands at farmpartsstore.com. We have a large selection of replacement craftsman parts for your walk behind lawn mowers riding mowers snow blowers and more. Use our interactive diagrams, accessories, and expert repair help to fix your craftsman lawn mower. Spindle quill 38 44in deck lawn mower tractor repair parts ayp craftsman 105891x. Садовый трактор craftsman 20380 (917.203800). Craftsman 2610 supreme reel gang mowers parts. Shop online or find a retailer near you today! In this easy to follow video tutorial i show you how to replace the drive pulley on your craftsman lawn tractor. Craftsman lawn tractor repair parts manual. Craftsman > lawn & garden tractors (184 models).

Craftsman lawn tractor parts, lawn care product, lawn service clipart, lawn tonic, remington lawn mower, snapper lawn mower parts wheels, used lawn tractor attachments, when to fertilize lawn. Craftsman lawn garden engine parts | sears partsdirect craftsman is a leading manufacturer of lawn and garden equipment engines. 42 craftsman lawn tractor parts, tutorial, step by step. Craftsman 42 briggs & stratton 19.5 hp gas powered riding lawn tractor operator's manual. Choose from versatile models with mulching ability, aerator.

Craftsman Riding Lawn Mower Repair Manual
Craftsman Riding Lawn Mower Repair Manual from lh4.googleusercontent.com
Cores returned in a damaged state are subject to no or partial credit, so package them well for return as if they were a new product. Craftsman 42 briggs & stratton 19.5 hp gas powered riding lawn tractor operator's manual. Click on an alphabet below to see the full list of models starting with that letter lawn tractor. We have the craftsman lawn tractor parts you need, with fast shipping and great prices. Sears entered the lawn tractor market in 1959 with the david bradley suburban models. Shop for craftsman lawn tractor parts today, from 104757x428 to rj19lm! 42 craftsman lawn tractor parts, tutorial, step by step. Craftsman 2610 supreme reel gang mowers parts.

We specialize in lawn tractors parts, lawn tractor manuals and lawn tractor accessories.

We have the craftsman lawn tractor parts you need, with fast shipping and great prices. We have a large selection of replacement craftsman parts for your walk behind lawn mowers riding mowers snow blowers and more. Currently all sears lawn and garden tractors are sold under the craftsman or craftsman professional brand. For power equipment parts and accessories, think jack's! Craftsman lawn tractor repair parts manual. Craftsman lawn and garden equipment engines are known for their dependability and outstanding performance. Craftsman lawn equipment makes easy work of maintaining your lawn whatever its size, and the range here at ace contains all the equipment you need to tend extensive lawn areas without breaking stride by using a craftsman lawn tractor. Download 3500 craftsman lawn mower pdf manuals. 42 craftsman lawn tractor parts, tutorial, step by step. Craftsman lawn tractor parts, lawn care product, lawn service clipart, lawn tonic, remington lawn mower, snapper lawn mower parts wheels, used lawn tractor attachments, when to fertilize lawn. Used craftsman lawn tractor parts for sale. Save up to 60% off dealer pricing on parts for sears/craftsman lawn mower/garden tractors. Craftsman lawn mower parts model 917.

Find genuine craftsman lawn mower parts and replacement components at discount wholesale prices. Home > all brands > craftsman > craftsman lawn tractors. Use our interactive diagrams, accessories, and expert repair help to fix your craftsman lawn mower. By signing up you agree to receive emails from craftsman with news, special offers, promotions and other information. We specialize in lawn tractors parts, lawn tractor manuals and lawn tractor accessories.

Honda Riding Mowers Lawn Garden Tractor Parts All Models Baggers Grass Catchers Decks Bought Sold Traded Pictures Are Examples Of The Models For Parts Used Riding Mower Replacement Parts Craftsman John
Honda Riding Mowers Lawn Garden Tractor Parts All Models Baggers Grass Catchers Decks Bought Sold Traded Pictures Are Examples Of The Models For Parts Used Riding Mower Replacement Parts Craftsman John from lookaside.fbsbx.com
Find genuine replacement parts along with great repair advice. By signing up you agree to receive emails from craftsman with news, special offers, promotions and other information. 365 days to return any part. Craftsman lawn and garden equipment engines are known for their dependability and outstanding performance. The parts that will need replacing on your craftsman lawn tractor will depend largely on how you use it. Fix your craftsman lawn tractor today with parts, diagrams, accessories and repair advice from. For power equipment parts and accessories, think jack's! Sears entered the lawn tractor market in 1959 with the david bradley suburban models.

Craftsman lawn and garden equipment engines are known for their dependability and outstanding performance.

Proudly owned & operated in america. Craftsman lawn equipment makes easy work of maintaining your lawn whatever its size, and the range here at ace contains all the equipment you need to tend extensive lawn areas without breaking stride by using a craftsman lawn tractor. We have a large selection of replacement craftsman parts for your walk behind lawn mowers riding mowers snow blowers and more. 42 craftsman lawn tractor parts, tutorial, step by step. Husqvarna 917440513 lawn tractor parts manual craftsman 917.288520 46 mower. Craftsman lawn mower parts model 917. Shop online or find a retailer near you today! Download 3500 craftsman lawn mower pdf manuals. Other parts of the engine system include the fuel tank and cap, which supply oil to the engine, and a fuel line, hose cap, and oil drain that work to keep the engine running smoothly. 365 days to return any part. Manualslib has more than 3500 craftsman lawn mower manuals. Craftsman® tillers & cultivators are ready to keep up with all of your backyard and lawn needs. We also have installation guides, diagrams and manuals to.

Advertisement

Iklan Sidebar