Sears T1000 Lawn Tractor Parts : Lt1000 Lawn Tractor Parts From Sears Com - Find craftsman lawn tractors find fully detailed.

Info Populer 2022

Sears T1000 Lawn Tractor Parts : Lt1000 Lawn Tractor Parts From Sears Com - Find craftsman lawn tractors find fully detailed.

Sears T1000 Lawn Tractor Parts : Lt1000 Lawn Tractor Parts From Sears Com - Find craftsman lawn tractors find fully detailed.
Sears T1000 Lawn Tractor Parts : Lt1000 Lawn Tractor Parts From Sears Com - Find craftsman lawn tractors find fully detailed.

Sears T1000 Lawn Tractor Parts : Lt1000 Lawn Tractor Parts From Sears Com - Find craftsman lawn tractors find fully detailed.. North east harbor universal lawn mower tractor seat cover grey padded comfort pad storage pouch. A wide variety of lawn tractor parts options are available to you, such as use. Use our part lists, interactive diagrams, accessories and expert repair advice to make your repairs easy. Home > all brands > craftsman > craftsman lawn tractors. Craftsman lawn tractor parts model 917.

Craftsman lt1000 lawn tractor fuel tank with cap 184900 109202x. Shipment time can be in 7 days after payment. The lt1000 lawn tractor, although discontinued by craftsman, is still used regularly by many people. Find vacuum parts by brand. Parts ship within 24 hours.

Cutting Deck Mower Drive Belt Fits 42 Deck Craftsman Lt1000 Lt200 402009 169178 584897001
Cutting Deck Mower Drive Belt Fits 42 Deck Craftsman Lt1000 Lt200 402009 169178 584897001 from www.mowerpartsales.com
I want to list it for sale on craigslist. Craftsman sears ayp lawn tractor engine pto drive belt double pulley 175410 #3. Lawn mower parts └ lawn mowers, parts & accessories └ yard, garden & outdoor living └ home & garden все категории antiques 2pk замена craftsman lt1000 42 газонокосилка лезвия 134149 4227 19. We can supply yto jinma foton tractor parts and engine parts. Home > all brands > craftsman > craftsman lawn tractors. Condition is use working conditions part see allitem description. You`ll be able to finnd that in the sears 1036 lawn tractor catalogue. A store that sells a tractor cab is sears.

You can continue to rely on us for the aftermarket parts you need.

If you see a tractor in my new inventory that you need parts from click on the new inventory tab above for more detailed. Your number one source for sears lawn tractor steering! Find riding lawn mower blades, belts, cables and more to repair your unit as. Craftsman lawn tractor rer1000 / 2012 repair parts. Read and follow all safety rules and instructions before operating this equipment. Find vacuum parts by brand. For example under the topics lawn and garden and tractor attachments, listed is a craftsman brand tractor cab. Craftsman lt1000 parts list manual! Save up to 60% off dealer pricing on parts for sears/craftsman lawn mower/garden tractors. Find craftsman lawn tractors find fully detailed. New listinggenuine sears husqvarna lawn tractor headlight lens part number 580484501. About 9% of these are agriculture machinery parts, 0% are construction machinery parts, and 25% are tractors. Craftsman lawn mowers and riding tractors may need replacement parts like blades.

Need to fix your 247.203700 t1000 lawn tractor? I have a '05 craftsman lt1000 tractor i bought slightly used from my local sears outlet in 2006. Safety assembly operation maintenance • repair parts caution: Craftsman > lawn & garden tractors (184 models). How to remove a lt 1000 sears craftsman riding lawn tractor mower deck.

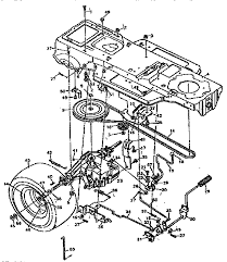
Craftsman 42 Inch Riding Mower Parts Diagram All Round Hobby
Craftsman 42 Inch Riding Mower Parts Diagram All Round Hobby from www.fixya.com
Lawn mower parts └ lawn mowers, parts & accessories └ yard, garden & outdoor living └ home & garden все категории antiques 2pk замена craftsman lt1000 42 газонокосилка лезвия 134149 4227 19. Yesterday i was mowing and everything was fine when all of a sudden i no longer had power. Craftsman lt1000 parts diagram, tutorial, step by step. Other states may have similar laws. They allow you to haul equipment, soil, tools and more around your yard. Home > all brands > craftsman > craftsman lawn tractors. How to remove a lt 1000 sears craftsman riding lawn tractor mower deck. Read and follow all safety rules and instructions before operating this equipment.

I prefer to keep my lawn mowed with my honda push mower.

A store that sells a tractor cab is sears. Craftsman lawn mowers and riding tractors may need replacement parts like blades. 7 am = 7 pm ct, mort. About 9% of these are agriculture machinery parts, 0% are construction machinery parts, and 25% are tractors. Save up to 60% off dealer pricing on parts for sears/craftsman lawn mower/garden tractors. Craftsman (a part of sears). The lt1000 lawn tractor, although discontinued by craftsman, is still used regularly by many people. Craftsman lawn tractor parts model 917. Tractors i just received into inventory that have not been disassembled. However, just because this particular lawn tractor has been discontinued does not mean that accessories and replacement parts cannot be found for it. Condition is use working conditions part see allitem description. Your number one source for sears lawn tractor steering! Steering and lawn tractor parts of all kinds.

Craftsman lawn tractor parts model 917. Shipment time can be in 7 days after payment. Lawn mowers, parts & accessories. Safety assembly operation maintenance • repair parts caution: You can continue to rely on us for the aftermarket parts you need.

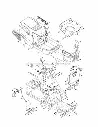
Craftsman 917270671 Front Engine Lawn Tractor Parts Sears Partsdirect
Craftsman 917270671 Front Engine Lawn Tractor Parts Sears Partsdirect from c.searspartsdirect.com
Tractors i just received into inventory that have not been disassembled. Find riding lawn mower blades, belts, cables and more to repair your unit as. Craftsman > lawn & garden tractors (184 models). They allow you to haul equipment, soil, tools and more around your yard. Need to fix your 247.203700 t1000 lawn tractor? However, just because this particular lawn tractor has been discontinued does not mean that accessories and replacement parts cannot be found for it. Lawn maintenance is easier with mtd lawn tractors. Shipment time can be in 7 days after payment.

Use our part lists, interactive diagrams, accessories and expert repair advice to make your repairs easy.

The lt1000 lawn tractor, although discontinued by craftsman, is still used regularly by many people. Share craftsman model rer1000 parts in stock and ready to ship! Condition is use working conditions part see allitem description. Craftsman lawn tractor parts model 917. The condition of the old part can affect the usability of the core, in some cases partial or no refund may be given. Lawn mower parts └ lawn mowers, parts & accessories └ yard, garden & outdoor living └ home & garden все категории antiques 2pk замена craftsman lt1000 42 газонокосилка лезвия 134149 4227 19. Alibaba.com offers 1,853 lawn tractor parts products. Recently purchased a used sears model #502.255091 lawn tractor would like to obtain an owners manual with parts list and maintenance info. Find vacuum parts by brand. You can continue to rely on us for the aftermarket parts you need. We can supply yto jinma foton tractor parts and engine parts. If you see a tractor in my new inventory that you need parts from click on the new inventory tab above for more detailed. I prefer to keep my lawn mowed with my honda push mower.

Advertisement

Iklan Sidebar